How are Unbraced Lengths coordinated between RISAFloor and RISA-3D?

How are Unbraced Lengths coordinated between RISAFloor and RISA-3D?

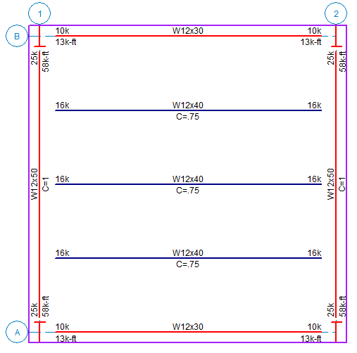
In a RISAFloor model the columns and beams can be assigned unbraced lengths, or the program may calculate them automatically. This unbraced length information can then be used in RISA-3D. A great example is the frame below:

Floor Lb 01

The beams along Grid Lines 1 and 2 have fixed ends. Therefore their bottom flanges are in compression, so they need to be braced. The 12” deep gravity beams framing into them should provide sufficient bottom flange restraint for the lateral beams, so the Segment command was manually entered for the lateral beams:

Floor Lb 02 600x171

The program now considers the gravity beams (spaced at 7.5 feet o.c.) to brace the lateral beams:

Floor Lb 03 600x183

When the model is transferred into RISA-3D, the gravity beams are no longer present though. Not even a node exists at their end locations:

Floor Lb 04

How can we ensure that the RISA-3D model knows about the gravity beams providing bracing? In the RISA-3D Members spreadsheet the unbraced lengths all report “Floor”. This means that RISA-3D is using the unbraced length information from RISAFloor:

Floor Lb 05 600x164

When solving in RISA-3D the unbraced lengths from RISAFloor are then used for those members:

Floor Lb 06 600x228

 

You may also be interested in

 
What do the Unbraced Length commands Segment and Lbyy mean?
DECEMBER 03, 2014

What do the Unbraced Length commands Segment and Lbyy mean?

Aside from leaving an unbraced length blank or inputting a fixed...

Read More
New Features in RISACore v22.0 Release
FEBRUARY 20, 2024

New Features in RISACore v22.0 Release

New features are now available in the recent release of RISACore...

Read More
What do the Unbraced Lengths represent?
NOVEMBER 19, 2014

What do the Unbraced Lengths represent?

Understanding unbraced lengths and how RISA software accounts for them...

Read More